停車場發卡器與IC卡讀寫器的設計開發
隨著科技和中國經濟的高速發展,人民生活水平不斷提高,城市汽車增長迅猛,停車場成為人們生活中必不可少的一部分。非接觸式IC卡停車場管理系統以圖像處理技術、射頻卡技術和計算機技術為核心,加上精密的控制設備,實現了停車場的收費現代化管理,具有方便靈活、準確安全的特點。該文主要介紹非接觸式IC卡停車場中發卡器與IC卡讀寫器的設計和開發。
1 MIFARE1非接觸式IC卡
MIFARE1非接觸式IC卡的核心,是Philips公司的MIFARE1 IC S50(-01,-02,-03,-04)系列微模塊(微晶片)。它所具有的獨特的MIFARE RF(射頻)非接觸式接口標準已被定為國際標準:IS0/IEc14443 TYPEA標準。該卡片上有8 kb EEPROM存儲容量,并劃分為16個扇區,每個扇區劃分為4個數據存儲塊。各扇區的密碼和存取控制都是獨立的,可以根據實際需要設定各自的密碼及存取控制。因此一張卡可以同時運用在16個不同的系統中,且可以根據每個系統的實際情況決定各區的密碼及數據形式??ㄆ线€內建有增值、減值的專項的數學運算電路,非常適合于各種收費場合。文中所介紹的發卡器與IC卡讀寫器所使用的卡就采用MIFARE1卡。
2 停車場管理系統的基本模塊
非接觸式IC卡停車場管理系統最基本的功能是車輛進出放行和費用核算管理,基本模塊介紹如下:
1)PC機中心管理系統它是整個停車場管理的控制核心,由計算機、發卡器、通訊線路和管理軟件等組成,主要完成發卡、費用統計與結算、接收與發送控制信號等功能。發卡器完成2種卡的發行:一是對用戶卡進行發行登記、收費充值、財務報表記錄等;二是對配置卡進行發行登記、配制信息填寫等。
2)用戶IC卡作為信息載體,記錄車主標識、消費余額、系統特征等,完成每次停車費用扣減及重復充值功能。
3)IC卡讀寫器通過讀取配置卡,更改Ic卡讀寫器中的配制信息和權限信息;通過校驗方式完成讀寫用戶IC卡、記錄并向計算機傳輸數據、控制道閘等功能。
4)電子開關 由自動擋車道閘、數字式地面車輛檢測器、防砸車檢測系統組成,完成接收控制信號、開啟道閘、車通過后落下道閘等功能。
3 發卡器與IC卡讀寫器的設計
3.1 配置卡與用戶卡簡介
配置卡由停車場管理中心擁有 。它主要用來對停車場中各個IC卡讀寫器設備進行配制,例如信息調制、權限和數據更改等。當需要更改IC卡讀寫器的內部數據時,首先通過發卡器把要更改的數據信息和配制信息寫入配置卡,然后將配置卡貼近各個IC卡讀寫器,刷卡1次,就完成了數據的更改。
用戶卡由用戶擁有。在發卡時,管理中心將車主信息、消費余額等寫入此卡,并決定該卡的使用范圍和權限。在停車場人口,車主將用戶卡在IC卡讀寫器前刷一下,IC卡讀寫器對卡中的信息進行密碼校驗并判 斷該卡是否有權限進入此系統。當校驗通過時,系統確認有效后撤除路障,開啟自動道閘,允許其通行,并將卡的信息傳送到管理中心進行存儲。在出口,車主將用戶卡在IC卡讀寫器前刷一下,IC卡讀寫器從卡中扣減相應金額,系統確認有效完成后撤除路障,開啟自動道閘,允許其出閘。
3.2 發卡器與IC卡讀寫器的基本工作流程圖
發卡器與卡片之間采用一對一通信方式,發卡程序流程見圖1(a),圖1(b)。讀卡過程是一個很復雜的程序執行過程,要執行一系列的操作指令,調用多個函數,包括裝載密碼、驗證密碼、鑒別卡、讀卡等。這一系列操作必須按固定的順序進行l_5j。讀卡程序設計流程圖見圖1(C)。

(a)發卡器配制配置卡 (b)發卡器配制用戶卡

(c)I c卡讀寫器讀寫配置卡與用戶卡
圖1 發卡器與Ic卡讀寫器的流程圖
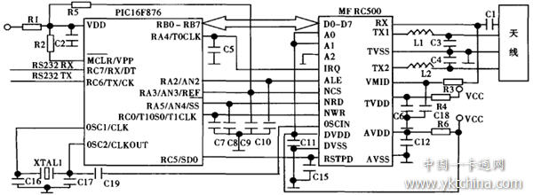
3.3 IC卡讀寫器的硬件圖
圖2所示為IC卡讀寫器的硬件連接圖。系統所使用的硬件主要由2部分組成:PIC16F876單片機與芯片MF RC500組成。該系統采用PIC16F876單片機為控制核心,主要完成數據采集、處理、存儲及控制系統工作的功能,通過RB El與MF RC500的數據總線相連,可實現與非接觸式IC卡數據的無線傳輸。RC7、RC6用來連接RS232,最終與計算機相連。RK3作為MF RC500的片選端,低電平有效。RK5、RC0分別控制MF RC500的讀寫,RA4接收來自非接觸式IC卡的中斷請求并執行中斷程序。該系統的工作頻率為13.56 MHz,由石英晶體振蕩器產生,用于給MF RC500提供時鐘信號,同時也驅動天線基頻載波信號。MFRC500是與非接觸式IC卡實現無線通信的核心模塊,也是IC卡讀寫器讀寫非接觸式IC卡的關鍵接口芯片。它根據寄存器的設定對發送緩沖區中的數據進行調制,得到發送的信號,通過由TX1、TX2腳驅動的天線以電磁波的形式發出去,非接觸式IC卡采用RF場的負載調制進行響應。MF1卡放在距離射頻天線100mm內,天線拾取非接觸式IC卡的響應信號,經過天線匹配電路送到RX腳,MF RC500內部接收緩沖器對信號進行檢測和解調,并根據寄存器的設定進行處理。處理后的數據發送到并行接口由單片機讀取。

圖2 硬件電路圖
3.4 IC卡讀寫器的軟件編程
程序采用標準C語言編制,以PCW C Compiler IDE編譯器為開發環境,以下是部分程序源代碼以及子函數說明。該程序代碼在PIC16F876單片機上測試通過。程序將RF場適時的開啟與關閉,大大降低了MCU與RF場的功耗,同時減少了在讀卡過程中MF RC500對MCU的干擾。

4 結語
采用MF RC500設計的硬件電路,不僅適用于停車場,也適用于基于ISO/IEC 14443A標準并且要求低成本、高性能以及單電源的非接觸式通信的其他應用場合。如公共交通終端、非接觸式公用電話、小區管理系統等。依照實際用戶的需要,此發卡器與IC卡讀寫器還可以開發更多的功能,適用性非常強。
基金項目:魯潤京九石化監控系統(105—642081).
作者簡介:劉瑩(1981-),女,武漢理工大學信息工程學碩士生.E—mail:liuying921054@126.com
參考文獻
[1] Klaus Finkenzeller.射頻識別(RFID)技術[M].陳大才,王卓人,譯.北京:電子工業出版社,2001.
[2] 張俊杰,喬誼正.非接觸式IC卡讀寫模塊的應用開發[J].世界電子元器件,2004,(2):44-46.
[3] 陳喜陽,張克危,陳定方.智能卡在安全電子郵件系統中的應用[J].武漢理工大學學報(交通科學與工程版),2002,26(6):830-832.
[4]俞文泓,吳邁.非接觸式IC卡在智能住宅小區中的應用[J].電子&智能建筑,2002,(1):36-39.
[5] 陳作炳,張鴻宇,陳燕飛,等.CPU卡技術及應用系統設計研究[J].武漢理工大學學報,2002,24(9):85-87.