基于RFID的汽車防盜系統設計與實現
作者:武漢理工大學自動化學院 李雙華 曾春年
來源:RFID世界網
日期:2007-06-06 17:39:13
摘要:隨著科技的發展,汽車防盜裝置日趨嚴密和完善,目前防盜器按其結構與功能可分四大類:機械式、電子式、芯片式和網絡式,雖然各有優劣,但汽車防盜的發展方向則向智能程度更高的芯片式和網絡式發展。 RFID汽車防盜系統屬于芯片式防盜系統,它是RFID的新應用。
射頻識別技術(RFID,即Radio Frequency I-dentification)是從20世紀80年代開始走向成熟的一項自動識別技術。它利用射頻方式進行非接觸式雙向通信方式來交換數據以達到識別目的。可用于識別高速運動物體并可同時識別多個射頻卡,而且操作快捷方便,不怕油漬、灰塵污染等惡劣的環境,特別適合于實現系統的自動化且不易損壞。
引言
本文介紹的射頻識別系統是將射頻識別技術應用到汽車防盜系統中的一次成功嘗試。
1 RFID汽車防盜系統概述
隨著科技的發展,汽車防盜裝置日趨嚴密和完善,目前防盜器按其結構與功能可分四大類:機械式、電子式、芯片式和網絡式,雖然各有優劣,但汽車防盜的發展方向則向智能程度更高的芯片式和網絡式發展。 RFID汽車防盜系統屬于芯片式防盜系統,它是RFID的新應用。
由于這是一種足夠小的、能夠封裝到汽車鑰匙當中并含有特定碼字的射頻卡。該系統在汽車方向盤下安裝有閱讀器,閱讀器離點火鑰匙的距離小于7厘米,當插入一把帶有應答器的正確鑰匙并打到"M"位時,汽車防盜系統上電工作,閱讀器讀取到有效的UID號,系統語音提示鑰匙正確,并自動完成對碼、解鎖發動機電腦,否則語音報警,發動機電腦處于閉鎖狀態,發動機管理系統(EMS)鎖定油路和引擎,發動機點火和噴油的控制被切斷,汽車無法啟動,汽車的中央計算機也就能容易地防止短路點火,實現防盜功能。
2 RFID汽車防盜系統組成原理
RFID系統為該汽車防盜系統的核心組成部分。一般由標簽(TAG,即射頻卡)、閱讀器、射頻天線三部分組成。標簽由耦合元件及芯片組成,含有內置天線,用于和射頻天線間通訊;閱讀器用于讀取(在讀寫卡中還可以寫入)標簽信息;射頻天線用于在標簽和讀取器間傳遞射頻信號。
系統的基本工作流程是閱讀器通過射頻天線發送一定頻率的射頻信號;射頻卡進入射頻天線工作區域時即產生感應電流,射頻卡獲得能量被激活,然后由射頻卡將自身編碼等信息通過卡內天線發送出去;射頻天線接收到從射頻卡發送來的載波信號,并經調節器傳送到閱讀器后,閱讀器對接收的信號進行解調和解碼,然后送到后臺主系統進行相關處理;主系統根據邏輯運算判斷該卡的合法性,同時針對不同的設定做出相應的處理和控制,并發出指令信號控制執行機構動作。
3 RFID汽車防盜系統硬件設計
本RFID汽車防盜系統以RFID系統為核心組成。汽車防盜系統硬件控制單元選用Motorola(Freescale)的16位單片機MC9S12D64,射頻識別系統由閱讀器S6700、應答器TAG-IT和射頻天線組成。此外,系統還包括存儲電路(AT24C01),檢測電路,語音電路和CAN總線通訊電路。RFID汽車防盜系統的硬件設計框圖如圖1所示。

本系統中的控制單元單片機MC9S12D64延續了飛思卡爾半導體在車用微控制器領域的優良傳統,是以速度更快的S12內核(Star Core)為核心的MC9S12系列單片機成員,這兩種器件管腳兼容,存儲器可以得到升級。并且片內有多種外圍設備可供選擇。MC9S12D64共有8種工作模式,模式的設定可通過復位期間采集BKGD、MODB、MODA三個引腳的狀態來實現,這樣可增強應用的可選擇性。
控制單元主要負責與應用系統軟件進行通信、執行應用系統軟件發來的命令、控制與射頻卡的通信過程(主-從原則)及信號的編解碼、對一些特殊的系統還要執行反碰撞算法、對射頻卡與閱讀器問要傳送的數據進行加密和解密,以及進行射頻卡和閱讀器間的身份驗證等附加功能。
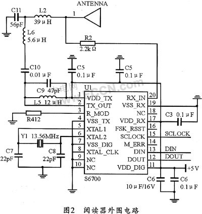
S6700 IC卡讀寫多協議收發器與應答器TAG-IT共同組成射頻系統,S6700采用13.56 MHz工作頻率。并具有防沖突機制。由于S6700采用的是曼徹斯特編碼方式,故能允許多張卡同時讀寫而不會發生沖突。典型發送功率為200 mW。
它支持的協議包括TI TAG-IT協議、ISO/IEC15693-2協議和ISO/IEC 14443-2協議。S6700與CPU的接口為同步串行接口(SPI)。SCLOCK、DIND、OUT分別為時鐘線、數據輸入線、數據輸出線。時鐘線為雙向,DOUT在接收數據期間用于數據輸出,而在發送數據期間則用來指示S6700內部FIFO寄存器的情況。
應答器TAG-IT完全兼容ISO/IEC15693協議。卡內有64位的UID(卡號)和8位的AFI (應用識別號)、8位的DSFID(數據存儲格式),其中UID是不可修改的。另外,卡內有2 KB的EEPROM,分成64塊,每塊32Bit,每個塊均可鎖定,以保護數據免于修改。射頻系統的閱讀器電路設計圖如圖2所示。

AT24C01是具有I2C總線的1K位電可擦除存儲器,具有獨立的寫周期(最大10 ms),上電后可在線編程數據,失電時能長期保存結果,這樣可以有效地防止人為對汽車電源的破壞。AT24C01存儲相應的TAG-IT的UID號,用于與讀取的應答器的UID進行核對。
語音電路以ISD5216集成語音芯片為核心,ISD5216具有錄音播放能力和4MB的數字資料存儲功能,結合調理和功放電路實現多段語音的錄放,從而方便地實現了RFID防盜系統的安全提示和報警功能。檢測電路用來檢測汽車的各種狀態信息,檢測到的狀態信息包括車門的檢測,對電源,剎車等信號的檢測。MCU通過檢測到的狀態信息做出判斷決策,通過執行機構控制方向燈、電源、門磁鎖和輪轂鎖。
CAN通訊網絡模塊負責將啟動信號和檢測信號通過CAN網傳輸給汽車的中央處理器。中央處理器通過接收的信號做決策判斷。CAN總線通信方式靈活、抗干擾能力強,目前在汽車控制系統中應用廣泛。CAN通訊接口硬件設計如圖3所示,其中82C250是CAN控制器和物理總線間的接口,它和CAN控制器之間采用光隔P113來提高系統的抗干擾能力。
4 RFID汽車防盜系統軟件的實現
RFID汽車防盜系統軟件的設計開發環境為Code Warrior for S12,它是面向以HC12和S12為CPU的單片機應用開發軟件包。包括集成開發環境IDE、處理器專家庫、全芯片仿真、可視化參數顯示工具、項目工程管理器、C交叉編譯器、匯編器、鏈接器以及調試器。其調試方式為BDM方式,BDM ( Background Debug Mode)是Freescale公司的一種系統調試方式,具備基本的調試功能,包括資源訪問及運行控制,與指令掛牌及斷點邏輯配合可以實現很多重要的開發功能。
4.1 S6700工作流程
軟件設計的重點是對S6700的編程。S6700編程要嚴格遵循其通訊協議和工作時序,對S6700的操作有三種模式:普通模式、寄存器模式和直接模式。直接模式下,CPU要直接面向射頻信號處理,比較復雜,故一般不采用。
普通模式下每條指令均含有協議、調制方式、傳輸速率等參數,而寄存器模式系列則不含這些參數,而是由預先寫入的寄存器的數值決定。本系統對S6700的操作選用普通模式,在該模式下,MCU首先要發送關閉命令以防止復位脈沖誤判,接著初始化時間寄存器,然后發送普通模式命令參數。在TAG-IT應答之前,MCU必須放棄時鐘線控制權,并將其轉交給S6700,然后等待應答器的回復信號,接收到回復信號后,MCU讀應答器UID判斷有無讀卡錯誤,應答結束后,MCU收回時鐘線控制權。S6700的工作流程圖如圖4所示。


4.2 初始化
射頻應答的所有操作都是從S6700的初始化開始的。在MCU與TAG-IT的通訊過程中,首先必須初始化時間寄存器。按照ISO/IEC15693協議,必須寫入初始化時間序列S1 011110111000000011000 ES1,其中S1與ES1分別為起始位和結束位,普通模式下,命令字節為8位,其發送順序是高位在前,數據流則是低位在前。下面是其命令結構格式:

起始位的波形是當SCLOCK為高時,在DIN發生一個上升沿。其中DIN必須在SCLOCK突變為高電平300 ns以后才能突變為高電平并產生上升沿。結束位的波形是當SCLOCK突變為高電平至少400 ns以后在DIN發生一個下降沿。
4.3 讀應答器UID
在MCU讀TAG-IT期間,由S6700掌握時鐘線控制權。S6700讀得數據后,通過DIN傳輸給MCU。在讀取數據時,MCU必須嚴格模擬TAG-IT的響應時序,并通過傳輸來的FLAG來確定數據的正確性。只有在FLAG完全正確時,才會繼續接受響應內容,否則,系統將結束讀卡過程。圖5給出了讀應答器的子程序圖。

TAG-IT的響應格式依次為起始位S2、FLAG、響應內容、CRC16、結束位ES2,其基本的讀卡請求和應答時序如圖6所示。其中TRAN1和TRAN2分別表示MCU放棄時鐘權限和MCU獲得時鐘權限。

5 結束語
汽車防盜問題在全世界范圍內備受關注。要解決這一問題需從高科技防盜技術方面著手,而RFID汽車防盜系統具有如下諸多優點:
(1) 采用射頻識別技術能準確判別UID,瞬間完成身份識別;
(2) 應答器內含唯一的UID號和數字化的密碼,重碼率極低,提高了防盜性能;
(3) 采用車用微控制器MC9SD64為防盜系統的控制單元,提高了現場的抗干擾能力,可確保防盜系統的正常運行;
(4) 利用CAN總線與汽車的中央計算機進行通信,可保證通信流暢,提高了防盜系統通信的抗干擾能力。
引言
本文介紹的射頻識別系統是將射頻識別技術應用到汽車防盜系統中的一次成功嘗試。
1 RFID汽車防盜系統概述
隨著科技的發展,汽車防盜裝置日趨嚴密和完善,目前防盜器按其結構與功能可分四大類:機械式、電子式、芯片式和網絡式,雖然各有優劣,但汽車防盜的發展方向則向智能程度更高的芯片式和網絡式發展。 RFID汽車防盜系統屬于芯片式防盜系統,它是RFID的新應用。
由于這是一種足夠小的、能夠封裝到汽車鑰匙當中并含有特定碼字的射頻卡。該系統在汽車方向盤下安裝有閱讀器,閱讀器離點火鑰匙的距離小于7厘米,當插入一把帶有應答器的正確鑰匙并打到"M"位時,汽車防盜系統上電工作,閱讀器讀取到有效的UID號,系統語音提示鑰匙正確,并自動完成對碼、解鎖發動機電腦,否則語音報警,發動機電腦處于閉鎖狀態,發動機管理系統(EMS)鎖定油路和引擎,發動機點火和噴油的控制被切斷,汽車無法啟動,汽車的中央計算機也就能容易地防止短路點火,實現防盜功能。
2 RFID汽車防盜系統組成原理
RFID系統為該汽車防盜系統的核心組成部分。一般由標簽(TAG,即射頻卡)、閱讀器、射頻天線三部分組成。標簽由耦合元件及芯片組成,含有內置天線,用于和射頻天線間通訊;閱讀器用于讀取(在讀寫卡中還可以寫入)標簽信息;射頻天線用于在標簽和讀取器間傳遞射頻信號。
系統的基本工作流程是閱讀器通過射頻天線發送一定頻率的射頻信號;射頻卡進入射頻天線工作區域時即產生感應電流,射頻卡獲得能量被激活,然后由射頻卡將自身編碼等信息通過卡內天線發送出去;射頻天線接收到從射頻卡發送來的載波信號,并經調節器傳送到閱讀器后,閱讀器對接收的信號進行解調和解碼,然后送到后臺主系統進行相關處理;主系統根據邏輯運算判斷該卡的合法性,同時針對不同的設定做出相應的處理和控制,并發出指令信號控制執行機構動作。
3 RFID汽車防盜系統硬件設計
本RFID汽車防盜系統以RFID系統為核心組成。汽車防盜系統硬件控制單元選用Motorola(Freescale)的16位單片機MC9S12D64,射頻識別系統由閱讀器S6700、應答器TAG-IT和射頻天線組成。此外,系統還包括存儲電路(AT24C01),檢測電路,語音電路和CAN總線通訊電路。RFID汽車防盜系統的硬件設計框圖如圖1所示。

本系統中的控制單元單片機MC9S12D64延續了飛思卡爾半導體在車用微控制器領域的優良傳統,是以速度更快的S12內核(Star Core)為核心的MC9S12系列單片機成員,這兩種器件管腳兼容,存儲器可以得到升級。并且片內有多種外圍設備可供選擇。MC9S12D64共有8種工作模式,模式的設定可通過復位期間采集BKGD、MODB、MODA三個引腳的狀態來實現,這樣可增強應用的可選擇性。
控制單元主要負責與應用系統軟件進行通信、執行應用系統軟件發來的命令、控制與射頻卡的通信過程(主-從原則)及信號的編解碼、對一些特殊的系統還要執行反碰撞算法、對射頻卡與閱讀器問要傳送的數據進行加密和解密,以及進行射頻卡和閱讀器間的身份驗證等附加功能。
S6700 IC卡讀寫多協議收發器與應答器TAG-IT共同組成射頻系統,S6700采用13.56 MHz工作頻率。并具有防沖突機制。由于S6700采用的是曼徹斯特編碼方式,故能允許多張卡同時讀寫而不會發生沖突。典型發送功率為200 mW。
它支持的協議包括TI TAG-IT協議、ISO/IEC15693-2協議和ISO/IEC 14443-2協議。S6700與CPU的接口為同步串行接口(SPI)。SCLOCK、DIND、OUT分別為時鐘線、數據輸入線、數據輸出線。時鐘線為雙向,DOUT在接收數據期間用于數據輸出,而在發送數據期間則用來指示S6700內部FIFO寄存器的情況。
應答器TAG-IT完全兼容ISO/IEC15693協議。卡內有64位的UID(卡號)和8位的AFI (應用識別號)、8位的DSFID(數據存儲格式),其中UID是不可修改的。另外,卡內有2 KB的EEPROM,分成64塊,每塊32Bit,每個塊均可鎖定,以保護數據免于修改。射頻系統的閱讀器電路設計圖如圖2所示。

AT24C01是具有I2C總線的1K位電可擦除存儲器,具有獨立的寫周期(最大10 ms),上電后可在線編程數據,失電時能長期保存結果,這樣可以有效地防止人為對汽車電源的破壞。AT24C01存儲相應的TAG-IT的UID號,用于與讀取的應答器的UID進行核對。
語音電路以ISD5216集成語音芯片為核心,ISD5216具有錄音播放能力和4MB的數字資料存儲功能,結合調理和功放電路實現多段語音的錄放,從而方便地實現了RFID防盜系統的安全提示和報警功能。檢測電路用來檢測汽車的各種狀態信息,檢測到的狀態信息包括車門的檢測,對電源,剎車等信號的檢測。MCU通過檢測到的狀態信息做出判斷決策,通過執行機構控制方向燈、電源、門磁鎖和輪轂鎖。
CAN通訊網絡模塊負責將啟動信號和檢測信號通過CAN網傳輸給汽車的中央處理器。中央處理器通過接收的信號做決策判斷。CAN總線通信方式靈活、抗干擾能力強,目前在汽車控制系統中應用廣泛。CAN通訊接口硬件設計如圖3所示,其中82C250是CAN控制器和物理總線間的接口,它和CAN控制器之間采用光隔P113來提高系統的抗干擾能力。
4 RFID汽車防盜系統軟件的實現
RFID汽車防盜系統軟件的設計開發環境為Code Warrior for S12,它是面向以HC12和S12為CPU的單片機應用開發軟件包。包括集成開發環境IDE、處理器專家庫、全芯片仿真、可視化參數顯示工具、項目工程管理器、C交叉編譯器、匯編器、鏈接器以及調試器。其調試方式為BDM方式,BDM ( Background Debug Mode)是Freescale公司的一種系統調試方式,具備基本的調試功能,包括資源訪問及運行控制,與指令掛牌及斷點邏輯配合可以實現很多重要的開發功能。
4.1 S6700工作流程
軟件設計的重點是對S6700的編程。S6700編程要嚴格遵循其通訊協議和工作時序,對S6700的操作有三種模式:普通模式、寄存器模式和直接模式。直接模式下,CPU要直接面向射頻信號處理,比較復雜,故一般不采用。
普通模式下每條指令均含有協議、調制方式、傳輸速率等參數,而寄存器模式系列則不含這些參數,而是由預先寫入的寄存器的數值決定。本系統對S6700的操作選用普通模式,在該模式下,MCU首先要發送關閉命令以防止復位脈沖誤判,接著初始化時間寄存器,然后發送普通模式命令參數。在TAG-IT應答之前,MCU必須放棄時鐘線控制權,并將其轉交給S6700,然后等待應答器的回復信號,接收到回復信號后,MCU讀應答器UID判斷有無讀卡錯誤,應答結束后,MCU收回時鐘線控制權。S6700的工作流程圖如圖4所示。


4.2 初始化
射頻應答的所有操作都是從S6700的初始化開始的。在MCU與TAG-IT的通訊過程中,首先必須初始化時間寄存器。按照ISO/IEC15693協議,必須寫入初始化時間序列S1 011110111000000011000 ES1,其中S1與ES1分別為起始位和結束位,普通模式下,命令字節為8位,其發送順序是高位在前,數據流則是低位在前。下面是其命令結構格式:

起始位的波形是當SCLOCK為高時,在DIN發生一個上升沿。其中DIN必須在SCLOCK突變為高電平300 ns以后才能突變為高電平并產生上升沿。結束位的波形是當SCLOCK突變為高電平至少400 ns以后在DIN發生一個下降沿。
4.3 讀應答器UID
在MCU讀TAG-IT期間,由S6700掌握時鐘線控制權。S6700讀得數據后,通過DIN傳輸給MCU。在讀取數據時,MCU必須嚴格模擬TAG-IT的響應時序,并通過傳輸來的FLAG來確定數據的正確性。只有在FLAG完全正確時,才會繼續接受響應內容,否則,系統將結束讀卡過程。圖5給出了讀應答器的子程序圖。

TAG-IT的響應格式依次為起始位S2、FLAG、響應內容、CRC16、結束位ES2,其基本的讀卡請求和應答時序如圖6所示。其中TRAN1和TRAN2分別表示MCU放棄時鐘權限和MCU獲得時鐘權限。

5 結束語
汽車防盜問題在全世界范圍內備受關注。要解決這一問題需從高科技防盜技術方面著手,而RFID汽車防盜系統具有如下諸多優點:
(1) 采用射頻識別技術能準確判別UID,瞬間完成身份識別;
(2) 應答器內含唯一的UID號和數字化的密碼,重碼率極低,提高了防盜性能;
(3) 采用車用微控制器MC9SD64為防盜系統的控制單元,提高了現場的抗干擾能力,可確保防盜系統的正常運行;
(4) 利用CAN總線與汽車的中央計算機進行通信,可保證通信流暢,提高了防盜系統通信的抗干擾能力。