超高頻 RFID 前端SP4T的設計
作者:李俊,張紅雨
來源:現代電子技術
日期:2009-09-17 09:08:27
摘要:由于超高頻RFID的接收和發射頻率相同,讀卡器結構基本為零中頻結構。零中頻結構的接收機射頻前端沒有選擇濾波器,對鄰近頻率的信號抗干擾能力很弱。我國在《800/900 MHz頻段射頻識別(RFID)技術應用規定(試行)》中規定的跳頻間隔為250 kHz,這對零中頻結構的RFID讀卡器在多詢問機環境下工作是一個很大的技術難點。
0 引 言
由于超高頻RFID的接收和發射頻率相同,讀卡器結構基本為零中頻結構。零中頻結構的接收機射頻前端沒有選擇濾波器,對鄰近頻率的信號抗干擾能力很弱。我國在《800/900 MHz頻段射頻識別(RFID)技術應用規定(試行)》中規定的跳頻間隔為250 kHz,這對零中頻結構的RFID讀卡器在多詢問機環境下工作是一個很大的技術難點。所以,在現階段的多詢問機環境下工作的UHF RFID讀卡器,基本是工作于時分復用方式。在讀卡器中加入單刀多擲開關(Single Pole 4Throw,SP4T),本機輪詢4個天線,可以取代另外的3個讀卡器,降低整個系統成本。
1 SP4T設計和仿真
1.1 SP4T的主要技術指標
SP4T的主要技術指標有插入損耗、隔離度、開關時間、VSWR和功率容量。對于系統,要求SP4T的功率容量大于30 dBm,控制信號為1 kHz方波,插入損耗小于2 dB,VSWR小于1.5:1。
1.2 PIN結構和等效電路
PIN管是在重摻雜的P層和N層之間加入一寬度較大的不摻雜本征I區,真正的本征區不可能實現,實際使用的PIN管I區多為低摻雜N區。I區使二極管級間電容減小,擊穿電壓提高。較寬的I區提高了二極管的反向擊穿電壓,使其功率容量增加。但同時使載流子渡越時間變長,阻抗變化緩慢,開關時間變長。I區面積增加時,導通電阻減小,導通功率容量加大,結電容上升,截止頻率下降,限制了系統的工作頻率和帶寬。當PIN管正偏時,對微波信號等效為一線性電阻,阻值的大小決定于偏置電流,接近于短路。反偏時,I區載流子耗盡,PIN管對微波信號等效為一恒定電容。其微波等效電路如圖1所示。
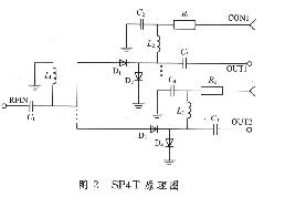
1.3 SP4T的電路結構
基于PIN管的射頻切換開關有串聯式、并聯式和串一并聯結合式。設計中采用串一并聯結構以達到上述指標,其基本的電路結構如圖2所示。
分析電路可得,較小的Rs和Cj是獲得低插入損耗、高隔離度的必要條件,而電路的功率容量決定于PIN管的最大反向電壓和PDM,一般取
中的最小值。綜合以上考慮,選取了MA-COM公司的MAP4P789,SC-79封裝。其參數為Vr=75 V,Cj=O.35 pF,Rs=1.5 Q 10 mA,封裝電感為0.6 nH,封裝電容為0.1 pF。將以上參數代入電路并用ADS仿真,如圖4,圖5所示。
2 實測結果及誤差分析
由于系統頻率不太高,考慮成本和生產因素,采用FR-4板材,完成電路并采用Agilent的網絡分析儀8712ET測試得其最大插入損耗為1.42 dB,最小隔離度為25 dB。相對于仿真結果,實際測試值有較大的惡化。主要原因有以下幾點:
(1)仿真時采用的模型不精確。由于仿真模型是根據廠家給出的參數建立的,寄生電容和寄生電感值是經驗值,這與實際值有些差異。
(2)各支路微帶線之間的耦合。由于各支路的公共接點連接在一起,各微帶線之間距離很近,閉合通道的信號耦合到臨近的兩個斷開通道,惡化了系統的插入損耗和隔離度。
(3)多路開關的斷開通道較多。其反偏等效電容并聯在閉合通道上,導致了插入損耗較大,這也是多路開關路數不能太多的主要原因。
3 結 語
串一并聯PIN管形式的電路是實現高速,寬帶,多路微波開關的最佳方法。通過對PIN管的仔細選型,電路的認真優化,可以進一步提高系統的帶寬,減小系統的插入損耗。
由于超高頻RFID的接收和發射頻率相同,讀卡器結構基本為零中頻結構。零中頻結構的接收機射頻前端沒有選擇濾波器,對鄰近頻率的信號抗干擾能力很弱。我國在《800/900 MHz頻段射頻識別(RFID)技術應用規定(試行)》中規定的跳頻間隔為250 kHz,這對零中頻結構的RFID讀卡器在多詢問機環境下工作是一個很大的技術難點。所以,在現階段的多詢問機環境下工作的UHF RFID讀卡器,基本是工作于時分復用方式。在讀卡器中加入單刀多擲開關(Single Pole 4Throw,SP4T),本機輪詢4個天線,可以取代另外的3個讀卡器,降低整個系統成本。
1 SP4T設計和仿真
1.1 SP4T的主要技術指標
SP4T的主要技術指標有插入損耗、隔離度、開關時間、VSWR和功率容量。對于系統,要求SP4T的功率容量大于30 dBm,控制信號為1 kHz方波,插入損耗小于2 dB,VSWR小于1.5:1。
1.2 PIN結構和等效電路
PIN管是在重摻雜的P層和N層之間加入一寬度較大的不摻雜本征I區,真正的本征區不可能實現,實際使用的PIN管I區多為低摻雜N區。I區使二極管級間電容減小,擊穿電壓提高。較寬的I區提高了二極管的反向擊穿電壓,使其功率容量增加。但同時使載流子渡越時間變長,阻抗變化緩慢,開關時間變長。I區面積增加時,導通電阻減小,導通功率容量加大,結電容上升,截止頻率下降,限制了系統的工作頻率和帶寬。當PIN管正偏時,對微波信號等效為一線性電阻,阻值的大小決定于偏置電流,接近于短路。反偏時,I區載流子耗盡,PIN管對微波信號等效為一恒定電容。其微波等效電路如圖1所示。

1.3 SP4T的電路結構
基于PIN管的射頻切換開關有串聯式、并聯式和串一并聯結合式。設計中采用串一并聯結構以達到上述指標,其基本的電路結構如圖2所示。


分析電路可得,較小的Rs和Cj是獲得低插入損耗、高隔離度的必要條件,而電路的功率容量決定于PIN管的最大反向電壓和PDM,一般取
中的最小值。綜合以上考慮,選取了MA-COM公司的MAP4P789,SC-79封裝。其參數為Vr=75 V,Cj=O.35 pF,Rs=1.5 Q 10 mA,封裝電感為0.6 nH,封裝電容為0.1 pF。將以上參數代入電路并用ADS仿真,如圖4,圖5所示。 
2 實測結果及誤差分析
由于系統頻率不太高,考慮成本和生產因素,采用FR-4板材,完成電路并采用Agilent的網絡分析儀8712ET測試得其最大插入損耗為1.42 dB,最小隔離度為25 dB。相對于仿真結果,實際測試值有較大的惡化。主要原因有以下幾點:
(1)仿真時采用的模型不精確。由于仿真模型是根據廠家給出的參數建立的,寄生電容和寄生電感值是經驗值,這與實際值有些差異。
(2)各支路微帶線之間的耦合。由于各支路的公共接點連接在一起,各微帶線之間距離很近,閉合通道的信號耦合到臨近的兩個斷開通道,惡化了系統的插入損耗和隔離度。
(3)多路開關的斷開通道較多。其反偏等效電容并聯在閉合通道上,導致了插入損耗較大,這也是多路開關路數不能太多的主要原因。
3 結 語
串一并聯PIN管形式的電路是實現高速,寬帶,多路微波開關的最佳方法。通過對PIN管的仔細選型,電路的認真優化,可以進一步提高系統的帶寬,減小系統的插入損耗。