深圳航天科技UHF RFID生產線管理項目在廣西進展順利
深圳航天科技創新研究院在廣西實施的某一RFID生產線管理項目進展順利。目前已完成一期工程的試運行,本月將進入二期工程正式實施階段。


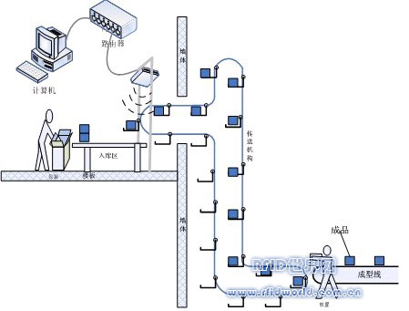
據悉,此項目實施對象為廣西某一大型制鞋廠。該制鞋廠在2008年度開始采用RFID應用進行了生產制程控制,目前主要包括兩個環節的應用:
1.在裁斷,針車,大底等半成品工序,當某個生產班組生產完一定數量的半成品后,要求將其放置到指定的半成品區供下一工序領用。在RFID集成應用中流程為操作員工將規定數量半成品放置在周轉箱內,并在周轉箱上掛上存儲有批次信息的RFID標簽(計量卡),同時操作的工人身上佩帶稱為班組卡的具有本組標識的RFID標簽,當通過半成品區的RFID計量系統時,RFID系統自動識別計量卡和班組卡,并將數據實時導入給ERP系統。

2.在成型流水線的最后階段某個工位,有制定操作員負責將存儲有生產批次信息的RFID標簽放置在裝有成品的包裝盒內,在最后一個工序通過傳送機構傳送給成品庫進行入庫,在傳送機構末端(成品庫入口)裝有RFID系統,自動識別RFID標簽并將批次信息和數量統計導入ERP系統。

通過上述系統的采用,實現各工序計量的自動化,以及生產報表的自動生成,實現生產的平衡化管理,追求作為整體作業的效率而非個人產量。工序與工序間的半制品實現緊密交接,防止因為某一工序的阻滯而影響生產上其它工序的運作,同時也嚴格控制各環節半制品的存量,實現整體生產上的工位安排、設備產能優化的流暢。
深圳航天科技創新研究院一負責人于博士表示,“自去年11月起,深圳航天科技創新研究院的UHF RFID讀寫器和電子標簽便開始在鞋廠一期工程中試運行,經過半年的磨合和技術完善,產品得到了客戶充分肯定,我們在讀寫器和系統實施安裝方式上做了很多創新性的嘗試,收到了意想的效果,得到了客戶的高度認可。2009年年初一期工程順利通過驗收,本月將正式啟動二期工程的實施。”
UHF RFID技術在生產線上的應用,在國內成功案例本身不多,此次成功應用無疑給眾多生產型企業提供了一種創新性管理模式。于博士稱,“超高頻設備在生產線上的應用在行業內掀起了不小的波瀾,近期有好幾家大型制鞋、制衣企業都對這套系統產生濃厚的興趣。通過這套系統客戶能夠實實在在地看到UHF RFID技術運用于生產線管理,不僅大大減化人工工作流程,節省企業人力資源和管理成本,更是提升了生產型企業的競爭力。項目的順利實施,標志著深圳航天科技UHF RFID讀寫器和電子標簽技術日趨成熟。”